DEHNprotector

  • Surge protection with monitoring device and disconnector
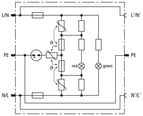
  • Visual operating state (green) and fault indication (red)
  • Increased safety due to foolproof Y protective circuit

Details

lorem ipsum

DPRO 230 Protector

Adapter with integrated surge protection and child lock.

1 Product

Part No. 909230 DPRO 230

GTIN 4013364117686, Customs tariff No. (EU): 85363010, Gross weight: 239.00 g, PU: 1.00 pc(s)

Predecessor

Images

Additional information

DEHNprotector 230 surge protective adapter
Surge protective adapter for protecting the power supply circuit
of electronic devices against transient overvoltage
Type 3 SPD according to EN 61643-11
Visual operating state and fault indication
Max. continuous operating voltage: 255 V a.c.
Voltage protection level: <= 1.5 kV
Total discharge current: 5 kA
Max. mains-side overcurrent protection:
16 A gG or B 16 A
Energy-coordinated according to IEC 62305-4 with arresters
of the Red/Line series

Brand: DEHN
Type: DPRO 230
Part No.: 909230
or equivalent.

Certificates

 

Technical data

SPD according to EN 61643-11 / IEC 61643-11 type 3 / class III
Max. continuous operating voltage (a.c.) (UC ) 255 V (50 / 60 Hz)
Nominal discharge current (8/20 µs) (In ) 3 kA
Total discharge current (8/20 µs) [L+N-PE] (Itotal ) 5 kA
Voltage protection level [L-N] / [L/N-PE] (UP ) ≤ 1350 / ≤ 1500 V
Max. mains-side overcurrent protection B 16 A
Fault indication red light
Operating state indication green light

Product 909230 was added to Notepad.

Product 909230 was added to the cart.


back to top